网站首页
产品应用
DC-DC 恒压系列
开关升压恒压
开关降压恒压
开关升降压恒压
电荷泵升压
LDO 线性稳压
LED 恒流系列
开关升压恒流
开关降压恒流
升降压恒流
线性降压恒流
充电管理系列
单节锂电
三节锂电
两节锂电
单片机系列
IO型单片机
AD型单片机
LCD型单片机
OTP 型单片机
应用案例
音乐幻彩频谱灯
纹身机
剃须刀
电动牙刷
电容充电式透光玻璃
手电筒
洗牙器
警灯
加湿器
2.4G收发遥控
电平车仪表盘
楼道感应灯
应急灯
智能电源控制
美容仪吸黑头
晾衣架
航标灯
电子烟
触摸台灯
poe分离器
技术资讯
公司新闻
行业动态
服务支持
客户服务
客户咨询
常见问题
关于28圈体育
公司简介
企业文化
组织架构
资质荣誉
联系28圈体育
招贤纳士
联系28圈体育
解决方案
首页
解决方案
>
DC-DC转换电源管理芯片-TX4144B
DC-DC转换电源管理芯片-TX4144
DC-DC转换电源管理芯片-TX4143B
DC-DC转换电源管理芯片-TX4314
DC-DC转换电源管理芯片-TX4143
DC-DC转换电源管理芯片-TX4141
DC-DC转换电源管理芯片-TX4141A
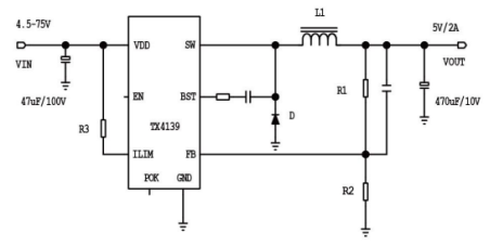
DC-DC转换电源管理芯片-TX4139
DC-DC转换电源管理芯片-TX4138
DC-DC转换电源管理芯片-TX4137
DC-DC转换电源管理芯片-TX4136L
DC-DC转换电源管理芯片-TX4135
DC-DC转换电源管理芯片-TX4314
冷热敷脸部按摩仪
DC-DC转换电源管理芯片-TX4113
DC-DC转换电源管理芯片-TX4101
步进电机控制系统
航模灯
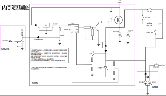
汽车灯光控制系统
数码显示挥手感应探照头灯
49条
上一页
1
2
3
下一页
0755-28379635
点击咨询