简述:
TX4212是一款具有超低待机功耗、高效率的同步升压DC-DC芯片。
芯片采用固定导通时间的PFM控制方式,在轻载时自动降低开关频率保持高的转换效率。
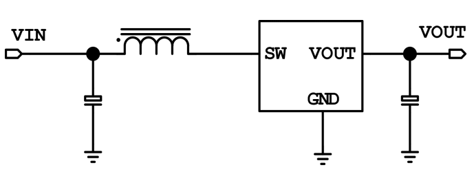
芯片外围仅需3个元件,即可实现将低输入的电池电压转换到所需要的工作电压。
芯片具有超低待机功耗和轻载高效的特点,它能够在保持输出电压升压稳压条件下实现输入电流仅 3uA, 尤其适合对待机时间要求高的应用。
芯 片采用 SOT23-3 封装。
典型应用:

封装:

输入电压 :0.9V - 3.5V
输出电压 :1.8V - 3.6V
输出电流 :< 300mA
静态电流 :1.8uA
开关频率:250KHz
驱动方式:内置MOS
整流方式:同步整流
封装:SOT-23