TX4202  是一款同步整流、开关升压型 DC-DC 转换芯片
芯片工作在1.4MHz 的固定开关频率上,这些性能特点,可以使用比较小的电感和外部电容器。
在轻载下自动PWM /PFM模式切换节省功率并提高效率,输出电压在 2.5-5V之间。

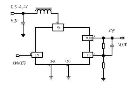
输入电压:0.9V-4.4V
输出电压:5V
输出电流:300mA
工作频率:1.4MHz

转换效率:94%

产品封装:SOT23-6

数码相机、MP3、、掌上电脑
手机、无线电话、
便携式电子产品

TX4202 的应用原理图是:

20190117796382.jpg


TX4202 的输出电压计算器: