简述:
TX6214 是一款高效率、高精度的升压型 LED 恒流驱动控制芯片。
内置高精度误差放大器,振荡器,恒流驱动电路等,特别适合大功率 ,多个高亮度 LED 灯串恒流驱动。
芯片采用固定频率的 PWM 控制方 式,工作频率可通过外部电阻进行设置。
内置频率补偿,无需外部补偿, 应用设计简单并减少外围元件。
芯片内部集成了软启动、输出过压保护、 逐周期限流保护以及过温保护电路,减少外围元件并提高系统可靠性。
芯片采用 SOP-8 封装。
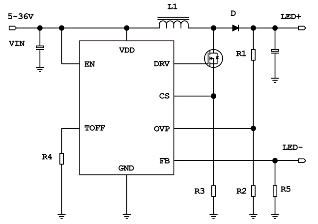
典型应用;

封装:

输入电压 :5V - 100V
输出电压 :> Vi + 1V
输入电流 :10A
静态电流 :75uA
开关频率:固定频率、频率可调
驱动方式:外置MOS
调光:使能、FB脚调光
封装:SOP-8